Privacy Policy
Informativa sui Cookie
Selecting "Scaling" enters the sub-area in which it is possible to manage all the logical channels that need a scale, either conversion or calibration, that is to specify the unit of measurement, decimals, any moving average, any default values (output channels).
Each channel that has a combined scale uses the most recent one; the scales are saved in single files whose name must not contain the character "_" ("underscore") as it conflicts with the separator that AdaMo uses automatically putting a prefix with the date of creation of the file itself.
Each channel that has a matched scale is available throughout the program as a result of the scale itself, except in the specific channel configuration setting ("single-channel oscilloscope" in the source and top-right graph in the scale editor).

In this picture we see the management settings.

In this image we can see the setting where the scale is matched to the logical channel and some characteristics are defined.
It should be noted that the "Average on Saving" property is to be understood as "activated moving average", meaning that the channel becomes available everywhere as a result of its moving average.
Through "Calibration ..." you access the scale editor; for input channels this automatically determines the start of data acquisition to have their values in real time.

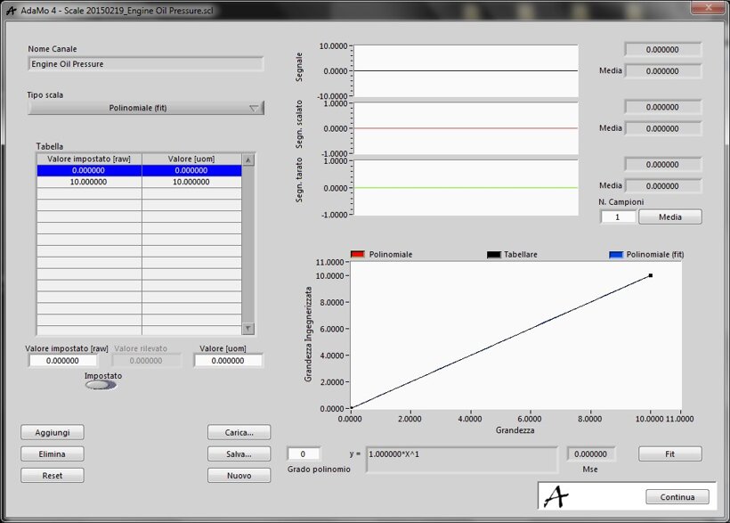
In this image we see the scale management setting.
It is possible to choose between polynomial, table or table polynomial ("Fit"); the main difference between these last two types is that with the table are not calculated values outside its extremes while with the relative "Fit" we extend outside (in both cases a linear interpolation is made between the points of the table).
The table can be populated with theoretical values or actually acquired and possibly mediated.
The four graphs on the right, from top to bottom, indicate:

For the output channels it’ s also possible to define:
Privacy Policy
Informativa sui Cookie